Other

  • CAD

    Ability to prepare electrical drawing and technical diagrams

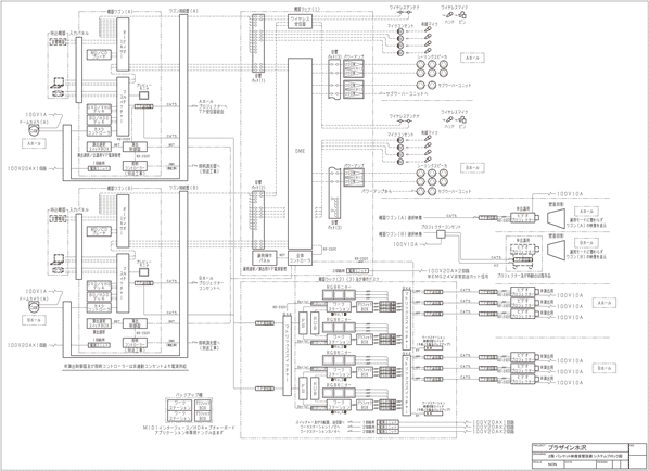
    • system diagram
    • wiring diagram
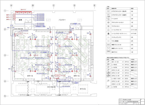
    • Projection view
  • Catalog

    Operational knowledge of Adobe InDesign

    • catalyst catalog
    • KissBox Catalog
  • Video

    Operational knowledge of Adobe After Effect, Adobe Premiere, Final cut pro